Part II - Crossover Designs
November 2006
The centerpiece of these speakers is a coaxial driver. It appears to be a copy of an old version of the KEF drivers, although with a different woofer diaphragm material. The woofer portion is equivalent to a typical 6.5" driver. The tweeter is described as a 4/5" tweeter.
Background on the OEM CrossoverThe crossover supplied with the system is surprising, given the cost of these things. It's simple enough, but uses a couple of reasonable quality inductors, one air core the other with a laminated core. The non-polarized elecrolytic caps leave something to be desired, however.
The measurement below is a representative example of the OEM system response. It is not smoothed at all and is only an on-axis measurement, so all of the warts appear. A moderately smoothed response is more indicative of what a persons perception would be. High Q resonances and small dips are not nearly as audible as are peaks.
The depression from about 1.2K to about 3K reduces any "in your face" presence and helps to give them a more laid-back response. The elevated treble is definitely noticeable. Some will like it, some won't. I don't. My designs do away with any tweeter peaking.
The peak in the woofer at 800Hz followed by the dip at 1.2K is due to two factors. The peaking is a combination of the resonance and the baffle step peak. The dip is definitely the result of a cone edge resonance insufficiently damped. A method of treatment for this resonance is described in my midrange tweaks page on the Insignia.

The influence of the baffle step portion of baffle diffraction, which is technically, can be seen below. This is for a modified driver. I modelled the system in the Baffle Diffraction Simulator (BDS), available free at the FRD Consortium. This is the yellow curve, shown aligned at the approximate driver sensitivity. It shows the predicted peaking at 1KHz and the step rolloff below that. The driver quasi-IEC response is shown in blue. The driver on-baffle response as predicted by taking the quasi-IEC response and adding in the predicted baffle diffraction step is shown in red. The direct influence of the step in the on-baffle response is easily seen from 2K down and follows the BDS predicted change very closely until the lower range where measurements are less reliable. Finally, the green curve shows the actual on-baffle response with the influence of adding the front baffle. It affects the range of 700-2.5KHz. Note that this is only on-axis. This likely changes off-axis.

Before you undertake the modification, let me point out that I may have found a similar product that will perform the same as the Parts Express product, suggested by a helpful email correspondent. A standard acrylic available at any local hobby shop may do. If that holds, then the cost of the mod will drop from over $18 to less than $5. I hope to address that soon. The response of the system with the modified woofer and with the original crossover, modelled in SoundEasy below, shows that it's an improvement that can be made with no other changes.
The OEM crossover uses some surprisingly good quality components, at least in the ones I've seen. It has two inductors, one an air core and the other a laminated core. The resistor is a standard sand-cast type. The lone problem is the non-polarized electrolytic caps. If nothing else is done, I would suggest replacing these.
The OEM crossover also allows signicant overlap between the drivers. This was probably done to limit the number of components. Given the cost of the system, this is not surprising. What is surprising is the sound quality given the total cost, so it appears that the designer made a valid tradeoff. Judging by the inverse-connected null, the crossover appears to be close to 4K, but this would only be technically true if it were a symmetric even-order type. It appears to be a non-symmetric type with a "relaxed" lowpass, meaning lower order than the highpass. My quess is that it's meant more to be in the 3.5K area. Given that KEF crosses at 3.2K in one of their current models with the same driver dimensions, this seems valid.

OEM Crossover with Modified Woofer
The individual driver in-box responses are shown next. These are smoothed and are closer to what would be perceived. Still, they aren't the cleanest drivers with which to work. That can be changed to some degree, but only the woofer section. There's not much that can be done with the tweeter directly.


I won't belabor the point here. The details of the issues are covered on my tweaks page. The primary issue that can be addressed by a direct modification is the 1K resonance that is manifested as the peak shown above at about 900Hz followed by the dip at about 1200Hz. This is direct consequence of a diaphragm/surround impedance mismatch, but it can be reduced. It doesn't fix all of the non-linearities, but the reduction of the resonance directly is helpful with the crossover design. A representative example is shown below.

The woofer was still left with some non-linearities from the tweeter as well as its own breakup that appears to be at 5K. Below that point the tweeter causes some reflections that primarily affect the range from about 1.2K (the resonance dip) upt to about 4K or so. KEF has addressed the issues in their most recent designs, but nothing can be done with the existing design if the tweeter is to remain in the driver.
Crossover Design IssuesThe crossover design was still not a simple task, primarily because the tweeter response is highly altered by the non-optimal horn loading of the woofer diaphragm. This is typical of the earlier designs from what I've seen such as the still-available Seas 6.5" coaxial drivers. Quite a number of iterations were created and auditioned before I settled on those presented here. I used SoundEasy to emulate the filters digitally with a multi-channel amp, so different versions were easy to test.
For reference, I've included a measurement of the system with the original crossover that has the woofer tweak detailed on my midrange tweaks page. Granted, these are not using the same drivers as I don't have any pre-mod measurements of the systems with a driver now modded, but they reasonably close to be able to get an idea of the improvement made with the tweak.

I had thought that I'd have a crossover to post much earlier. The issues with a coaxial unit are different than I've encountered previously. It took a lot of design/auditioning iterations to be satisfied. In the end I think that there is a signature sound that can't be elminated that is related to the the geometry. This must be why KEF has made the improvements seen in their newer units. This is not to say that it's a killer issue. At it's price, this little 2-way is still unmatched for a new unit in my experience.
The end result is that I have multiple crossovers that are acceptable. The two that I would recommend are those shown here. One is what I consider to be the minimum component version. Since I'm not interested in matching the original crossover for parts count, I went for minimum acceptable sound. The second one is on that can be used for a "cost-no-object" version, so to speak. I used it primarily in a 3-way configuration, having an active lowpass for the woofer and running the Insignia full-range. In this case I stuffed the ports and tweaked the upper bass range to taste. The crossover count is about 50% higher.
With regard to crossover construction, I leave it to you to decide how to assemble it if you use it. It may be easier to make it as an external crossover due to parts count. Since I have only used it with the digital filter emulation in SoundEasy, I've had no need to construct a physical version, although my plans include doing so for final use.
The boxes I have do not yet have any interior treatment to stiffen them. Some are sure that this will help, but it is not necessary to get good sound. I will eventually try this to see what the impact is, but I suspect that there won't need to a consequent crossover change. The crossover is paramount in my book.
Both of the crossovers presented here were auditioned at the DIY New England 2006 event. Both were received very favorable responses. One pair with the GR Researcg modification was also auditioned. These had the stiffened side walls, but used standard Solen components rather than those supplied by GR Research. For whatever reason, that pair lacked dynamics, detail, had a muddy midrange and were just flat sounding. I've asked the constructor to check his crossover to ensure that it's not a mistaken crossover connection somewhere as I expected better, given the original OEM sound.
Practical Design PreparationsThe measuremens used were based on measurements from LAUD (Liberty Instruments) that were then imported into SoundEasy and massaged to add the upper and low end rolloffs. Afer generating the Hilbert-Bode Transform (HBT) minimum-phase, the acoustic offset was adjusted to match the excess-phase to that of the measured phase.
Since I have not spent much time optimizing in SoundEasy, the driver data was exported and moved into the Passive Crossover Designer (PCD) by Jeff Bagby, also available free at the FRD Consortium. I still like to use CALSOD for optimizations as well, but experimenting with various topologies is quick and easy in the PCD. I'll point out that I did all optimization in he PCD for this design. The only difference in SoundEasy was that the inductor resistance values were adjusted for actual values supplied by Solen, the ones I would suggest to use. Resistors were adjusted to get the correct total resistance for any leg that required it. The one detail not possible in the PCD is that for parallel traps, the inductor resistance cannot be modelled as of this writing.
I have always liked the way the CALSOD 3.1 can use inductors in the model that are specified with a gauge. CALSOD then adjusts the resistance dynamically as the inductor changes. There is no need to calculate values and then adjust any other resistances for the total in the leg. I also then manually set components to real values for purshase and re-optimize to make construction easier. The values I show here are manually set for real world components. Some minor adjustments were made within SoundEasy during audition with the digital filter.
The SPL responses shown are those predicted with the crossover set up in SoundEasy. The digital filter emulation has a significant latency, so I can't use LAUD to measure the results in emulation mode. A second soundcard in the PC would provide the ability to measure with SoundEasy itself, but I have yet to put in a second card.
Ignore anything above 20K. LAUD is limited to just below 24K and the action of adding a lowpass rolloff to match the phase adds an artificiality to it above that point. The response from 20K down is accurate, however.
Downloadable FilesThese are the files used in the design. I decided that I'd make them available for anyone who'd like to work with them in the PCD or any other optimizer that can import files. The woofer file is for one modified with my tweak. When I get time I'll update this to add a raw, unmodified measurement.
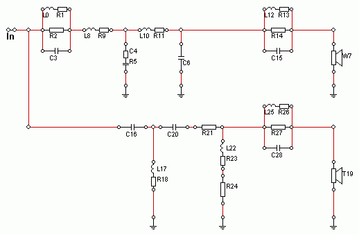
"The Minimalist" CrossoverBoy, is that one loaded! In defense of the name, it's what I considered to be the minimal component version that gave satisfactory results to my ears. My intent has never been to reduce the cost for the sake of reducing it. Rather, as a DIY effort, it was to significantly improve the sound at minimal cost, not near-zero cost. Still, the cost isn't bad considering the results. As I write this I've not tallied it, but will.
This is a non-symmetric Bessel crossover. After a lot of experimentation and not finding a symmetric design that fit well with the native responses, I noticed that the Bessel seemed to be a natural fit for one of the individual slopes. Normally I would not consider these at all due to the normal peaks/dips around Fc that are typical and even more so because of the other issues with non-coincident drivers. But for the Insignia driver, being coincident (not just coaxial) or nearly so, I realized that the summed response was the only factor with which to be concerned.
To expand, this is an overlapped non-symmetric Bessel. It's a 3000Hz 5th Order Bessel lowpass paired with a 2000Hz 6th Order Bessel highpass. The overlap helps to correct for the phase in the Fc region. It also resulted in something of a "BBC" dip, something I often prefer depending on the system. In this case it was definitely beneficial. It gives a more relaxed, non-aggressive sound.
The one area that I don't like, but for which there's no solution (without DSP) is the double peak at 3.4K and 4.8K. The former is due to reflections from the internal tweeter while the latter is the first true driver breakup. Note that in the summed response it is subtractive. That is to say, destructive. Crossed at 2K and even with a 6th Order Bessel, it's still high enough to be significant. But that's how it goes with a 2-way. This can occur with a Seas metal cone as well, so it's not limited to inexpensive drivers. It's a tradeoff of a reduced parts count.

"The Minimalist" SPL and Impedance
![]() |
![]() |
"The Minimalist" Schematic |
"The Minimalist" Component list |

First Summed Iteration using the Passive Crossover Designer

First Woofer Iteration using the Passive Crossover Designer
Note the closed-box impedance profile. This was with the port stuffed, but there's no impact on the lowpass.

First Tweeter Iteration using the Passive Crossover Designer
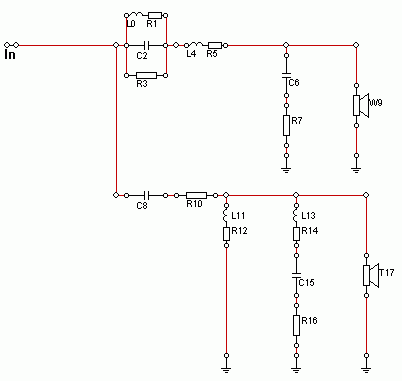
OK, it's a hokey, tongue-in-cheek name. But it's not far off the mark as crossovers go. You're looking at 20 components. This is the no-holds-barred version. I tried everything. The count always converged on this number, no matter how I tried to reduce it. It is an improvment over the Minimalist, but it's in the refinement, not an order of magnitude. It is a better fit when used as part of a 3-way because there's a natural bump in the woofer around 150Hz in my measurements. Some others show it to be flat here, but every measurement I made indicated it to exist. I would attribute this to a slightly too-small box. Low frequencies, those below about 400-500Hz, are hard to measure accurately in small spaces. This driver is especially hard because the typical close-mic measurement position is not possible due to the tweeter. I made mine with the mic flush with the plane of the woofer surround.

"Component Central" SPL and Impedance
![]() |
![]() |
"Component Central" Schematic |
"Component Central" Component list |
This one is definitely more refined. It's a symmetric 6th Order Linkwitz-Riley. Note how the woofer breakup is an additional 10db or so down in level vs. the Minimalist. There is still a tiny bit of influence in the summed response. This one will almost assuredly require it to be external.
I also auditioned an 8th Order Linkwitz-Riley, but the parts count remained the same. Some values were higher, so it didn't seem to be worth the additional cost.
I auditioned both crossovers as stand-alone 2-ways and with an active woofer in a 3-way. They do surprisingly well as a 2-way, but the authority of an actively crossed woofer is a definite improvment. It only needs to run up to 60-70Hz depending on the listening environment. This makes them easy to integrate, although I used them sitting on top of the woofers (a pair). These were not subs, they were 10" Peerless drivers in a closed box, but I felt little need to supplement them with a true sub.
Final CommentsThese are by no means a top-flight 2-way. They are what they are, an exceptionally well-built and aethetically pleasing, economical 2-way. No amount of tweaking could remove a graininess that seems inherent to the driver. I don't think that this is the resonance. It's more in the lower or mid-treble, probably related to the non-optimal horn loading of the tweeter and possibly the woofer breakup. The Seas coaxials have a familial set of response curves. It takes a more advanced coaxial such as the newer KEF drivers or possibly the smaller true midrange types to mitigate this issue.
All that said, I'm more than pleased with the results. I will be building one of the two crossovers shown here for use in a pair to be used as a bedroom set. I could live with them easily as part of a surround system as well, but they would need to be used as part of a 3-way in that applicationto suit my taste. The woofer low end is really needed here. It also would not be part of my primary music system, but as a secondary/surround system they do well. It was easy to spend a lot of time just listening rather than analyzing.
TBD
